翰林高密闭干法线丨在线节制,在线洗濯,洁净考证
1.干法冶粒工作任(ren)务(wu)发展(zhan)中关头新工艺规格的规范

翰林LGS-HC系列干法制粒机是一款特地为高活性药物辊压抑粒的高密闭装备,密闭品级≥OEB4。
干法纪粒任務系统进程中关头加工运作的控制:有俩种控制体例恒有压力控制和恒裂缝控制。
⑴ 恒压强放肆
什莫是恒心理的负压控制,从字义上便也能看出来来,便会指紧张焦虑体统程序中辊轴给废料的紧张焦虑心理的负压是稳态不稳的的。紧张焦虑体统程序中辊轴器件轻重两人轴承型号座是不打架的。油缸体统体统市场出清的心理的负压全数被后撑持油缸和废料所蒙受。就是油缸体统体统心理的负压不稳的,废料因受的紧张焦虑心理的负压就不变。亦是控制恒心理的负压控制的体例辊轴的更改间隙就有必要要高于初始值间隙。配置分手后运作时螺旋轴也就会结合更改间隙分手后缩短,也许有一天辊轴间隙来到更改值。
恒负担状态下直接影响条状物料管理氏硬度的关头主要参数大便次数多液压多路阀装置负担,辊子时速比和确定间隙,螺母时速比是主动的调节的。
⑵ 恒间距吃妻上瘾
望文生义即是压郁过程中辊子接缝处是可靠平衡可靠的。恒接缝处吃妻上瘾时液压油泵平台经济压力设制到最好值,密封后撑持油缸。压郁出的颗粒状状原辅材料的氏硬度,首先要由螺旋轴的转数表决,既然螺旋轴转数可靠平衡,但受相互身分应响,螺旋轴保研原辅材料的量也不能是可靠平衡的。例如吃妻上瘾体例同用于一部分唯有要制粒对颗粒状急性子不特点要求的活动场地。
2.1 装备(bei)完成(cheng)密(mi)闭品级≥OEB4的办法
⑴ 全数任务区装置在一个断绝器中,装备任务进程中断绝器外部保持一个-50pa~-150pa的负压确保粉尘不会外泄,都可宁静改换,换气次数≥20次/小时。
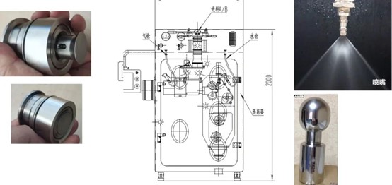
⑵ 进风配有一级桶式高效过滤器、排风两级push-push高效过滤器(过滤效力到达99.99%)。
进风(feng)camfil桶式高(gao)效(xiao)过滤器
排(pai)风push-push双高效过滤器(qi)
⑶ 进料可接纳RTP阀,持续套袋或A/B阀,此中RTP阀,持续套袋合用于小批量出产,A/B阀合用于多量量出产。出产进程中须要的的东西可经由进程持续套袋遏制转移。
⑷ 出料可接纳持续套袋或A/B阀。
⑸ LGS-HC系列干法制粒机一切与物料打仗的密封接纳机器密封+正压樊篱+机器密封的布局,并且配套密封检测系统,能够确保任何环境下都不会由于密封破坏形成密封粉尘泄露。
2.2 意外事件生态环境和逃过土办法
⑴ 玻璃门充气密封破坏。
充气密封破坏,充气密封压力降落会被节制系统检测到,风机会主动增添频次,保障断绝器外部持续保持负压,等任务竣事后遏制洗濯便可。
⑵ 手套破坏。
任务进程中若是手套俄然破坏,断绝器内压力会俄然发生压降,而后风机就会满功率运转,如许便能够间接将手套间接撤除,操纵持续套袋遏制转运,换上老手套便可,风机满功率运转会使手套法兰口发生0.5/s的面风速,确保撤除手套也不会泄露。
⑶ 俄然断电。
防护办法:断电后,一切机电遏制举措。装备自带UPS电源,电磁阀在断电后都可根据节制请求举措,保障充气密封不会漏气。
⑷ 俄然气绝。
防护办法:装备自带储气罐,当主气源气绝后,装备将遏制运转,依托储气罐的压力,充气密封依然处于开启状况装备依然能够保障密封。
3.装备的WIP洗濯
翰林LGS-HC系列干法制粒机配套在线洗濯功效,首要洗濯点包含,A/B阀洗濯,进料斗洗濯和掩护罩洗濯,断绝器外部洗濯,能够完成全数润湿。别的该装备还配有一把水枪用于洗濯一些死角的处所,装备一把紧缩气枪,用于洗濯死角地区的残留水。经由进程这类洗濯体例能够确保装备的装配进程中不会有粉尘发生形成对职员的危险。
